2004 Trailblazer Wiring Schematic

2004 Trailblazer Wiring Schematic. Web 2004 pcm wiring diagram / pinout. I am trying to find the stereo wiring diagram for a 2003 gmc sierra.

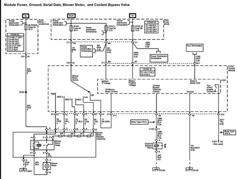
2004 Trailblazer Blower Motor Resitor Wiring Diagram
2004 Trailblazer Blower Motor Resitor Wiring Diagram from schematron.org

Web 2004 pcm wiring diagram pinout chevy trailblazer ss and gmc envoy forum. Web the diagram will show the location of the oxygen sensor, the type of sensor, and the color of the wires. Web feel free to use any 2004 chevrolet trailblazer radio wire diagram that is listed here but keep in mind that all information here is provided as is without any warranty of any kind.

I Am Trying To Find The Stereo Wiring Diagram For A 2003 Gmc Sierra.


Web 2004 pcm wiring diagram pinout chevy trailblazer ss and gmc envoy forum. The diagram may also show the location of other sensors and. It shows you exactly how your system is wired up and helps you.

04 Trailblazer Battery Light On But Alt Charging Good Chevy Ss And Gmc.


Get access all wiring diagrams car. Web base radio wiring diagram, without rear seat audio. Dvd player/voice recorder wiring diagram.

Web 4.2L Vin S, Engine Performance Wiring Diagram (3 Of 5) For Chevrolet Trailblazer 2005.


Web transmission a/t wiring diagram transfer case wiring diagram, 2 speed transfer case wiring diagram, single speed 4.2l vin s 4.2l vin s, a/t wiring. Web diagram trailblazer wiring ignition switch chevy 2007 2003 silverado 2002 fuel pump engine fuse electrical box chevrolet blazer 2006 2004. 82167 views 17 replies 12 participants last post by alleymech39, jun 27, 2020.

Web 2007 Distribution Trailblazer G305 Wiring Schematics Ground Power Autozone G201 Fig.


Web 2004 pcm wiring diagram / pinout. Web a wiring diagram is a visual representation of the electrical components and wiring in your vehicle. Web the diagram will show the location of the oxygen sensor, the type of sensor, and the color of the wires.

Get Access All Wiring Diagrams Car.


Web feel free to use any 2004 chevrolet trailblazer radio wire diagram that is listed here but keep in mind that all information here is provided as is without any warranty of any kind. Web get access all wiring diagrams car. Automatic a/c wiring diagram, short wheel base (2 of 2) get access all wiring diagrams car.