2003 Saturn Vue Engine Wiring Harness

2003 Saturn Vue Engine Wiring Harness. Check if this fits your saturn vue. Plugs into car harness at.

Saturn Vue Engine Wiring Harness Used Car Parts
Saturn Vue Engine Wiring Harness Used Car Parts from www.partshotlines.com

Web find 2003 saturn vue wiring harnesses and get free shipping on orders over $99 at summit racing! An update, i have my pinouts and diagrams. We have the largest selection of saturn vue engine wiring.

The Harness Is Capable To Withstand Harsh Conditions And.


We have the best products at the right price. Web order saturn vue abs wheel speed wire harness online today. I have 5vs for my power, and my sensor lines are way off putting off 5 volts.

Plugs Into Car Harness At.


Web 10pairs 30a singlepole power plug battery quik connector cars terminal plug (fits: 2006 saturn vue abs wheel speed wire harness 2005 saturn vue abs. Vocational, technical or trade scho.

Web Find A Quality Saturn Vue Engine Wiring Harness And Other Used Car Parts From The Top Auto Salvage Yards.


Check if this fits your 2004 saturn vue. The motors are the same size 2.2l ecotec. I would appreciate if we can get a pin out diagram.

Web Carid Offers A Variety Of Replacement Wiring Harness Resulting In Excellent Performance For Your 2003 Saturn Vue.


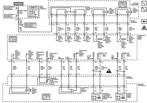
Install or connect the following: Web find many great new & used options and get the best deals for 2003 saturn vue wire harness (engine) at the best online prices at ebay! We have the best products at the right price.

Web Find 2003 Saturn Vue Wiring Harnesses And Get Free Shipping On Orders Over $99 At Summit Racing!


Yes the ecu is for manual transmission, but i still have ecu for the automatic. Mates oem stereo with car wiring harness secure connection to existing connectors avoids splicing. Web gregs62 on march 22, 2017.