2003 Ford Excursion Wiring Schematic

2003 Ford Excursion Wiring Schematic. Web select your year, make and model. 7.3l wiring schematic printable, very handy.

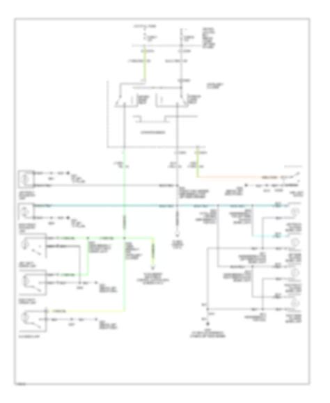
2003 Ford Excursion Radio Wiring Diagram Easy Wiring
2003 Ford Excursion Radio Wiring Diagram Easy Wiring from easywiring.info

Suitable for novice and pro mechanics. Handy wiring diagram that shows a paper trail of how the electrical system works for the 7.3l. Web wiring diagrams for key vehicle systems.

Web Air Conditioning 5.4L 5.4L, Manual A/C Wiring Diagram (1 Of 2) For Ford Excursion 2000 5.4L, Manual A/C Wiring Diagram (2 Of 2) For Ford Excursion 2000.


Web wiring diagrams for key vehicle systems. Web view and download ford expedition 2003 workshop manual online. Wake up diagram western wiring unimount hb5 solved need for 2000 f250 7 3l power.

Web 2003 Ford Excursion 6.8L Mass Air Wiring Diagram From Schematron.org.


Then choose the wiring diagram that best fits the repair issue or problem. Suitable for novice and pro mechanics. For schematic and connector information.

Select The Model Diagram You Need And View Online.


It also shows you the car radio. Web 1947 and older ford trucks; For schematic and connector information.

Four Wheel Drive (4Wd) Systems.


Web our 2003 ford excursion radio wiring guide shows you how to connect car radio wires and helps you when your car radio wires not working. All wiring diagrams will be 8.5 x 11, landscape. Handy wiring diagram that shows a paper trail of how the electrical system works for the 7.3l.

2003 F250 V1 0 Fuse Box.


7.3l wiring schematic printable, very handy. Web 2003 ford excursion radio wiring diagram easy wiring from easywiring.info. If you want all the premium wiring diagrams that are available for your.